ДІАЛІЗ (грец. dialysis — розкладання, відокремлення) — очищення ультрамікрогетерогенних дисперсних систем від електролітів та інших низькомолекулярних домішок водою або іншим розчинником за допомогою напівпроникної мембрани. Для проведення Д. між дисперсною системою і розчинником, частіше очищеною водою, розміщують пористу перегородку — мембрану, пори якої проникні для іонів і молекул низькомолекулярної речовини і непроникні для частинок дисперсної фази. Метод ґрунтується на законах дифузії. Природні перетинки (бичачий та свинячий міхур) і штучні плівки із нітро- та ацетилцелюлози, целофану, купрофану та інших тонкопористих матеріалів використовують як мембрани. При виборі матеріалу для мембрани слід враховувати, що вона може отримати заряд унаслідок вибіркової адсорбції одного з іонів електролітів, які містяться у дисперсному середовищі системи, а також за рахунок поверхневої дисоціації функціональних груп речовини мембрани. Заряд мембрани може викликати деякі ускладнення в процесі дифузії домішок при Д. та сприяти зворотній дифузії.
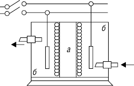
Прилади, в яких проводять Д., називають діалізаторами (рис. 1.).

Рис. 1. Діалізатор: a — дисперсна система; б — дистильована вода
Існує багато різновидів діалізаторів, але всі вони побудовані за загальним принципом: система, що діалізується (внутрішня рідина), міститься в посудині, відокремленій перетинкою (мембраною) від розчинника (зовнішня рідина), що міститься в іншій посудині. У конструкції діалізатора повинна бути передбачена можливість частої або безперервної зміни розчинника (діалізату), перемішування внутрішньої рідини (діалізної системи), максимально можлива (велика) площа перетинки, все це сприяє підвищенню швидкості діалізу (прискорює процес дифузії). Діаліз може бути значно прискорений при накладанні електричного поля. Цей процес називається електродіалізом. Електродіалізатор (рис. 2.) розділяється двома мембранами на три камери. В середню камеру вміщують дисперсну систему, а в бокові — воду з електродами. Під дією електричного поля відбувається перенесення катіонів із середньої камери в катодну, аніонів — в анодну камеру. При цьому розчин у середній камері очищується від домішок електролітів.

Рис. 2. Електродіалізатор: a — дисперсна система; б — дистильована вода
Ультрафільтрація — це фільтрування під надлишковим тиском крізь ультрафільтр, виготовлений із напівпроникної мембрани. Ультрафільтрація використовується не тільки для видалення низькомолекулярних домішок, але й для концентрування систем. Застосування мембран з певним розміром пор дозволяє розділити дисперсну фазу на фракції за розмірами частинок і визначити ці розміри. Так були виявлені розміри деяких вірусів і бактеріофагів. Нерідко застосовують комбіновані методи очищення. Прикладом сполучення діалізу з ультрафільтрацією є апарат «штучна нирка», призначений для тимчасової заміни функції нирок при гострій нирковій недостатності. Апарат підключають до системи кровообігу хворого, кров під тиском протікає між двома мембранами, які омиваються ззовні фізіологічним розчином. З крові порівняно швидко видаляються шлаки — продукти обміну і розпаду тканин. Комбінацією ультрафільтрації та електродіалізу є електроультрафільтрація, яка застосовується для очищення і розділення білків.
БСЭ. — М., 1983; Фізична і колоїдна хімія / В.І. Кабачний, Л.К. Осипенко, Л.Д. Грицан та ін. — Х., 1999.
